Secondary Air Supply Nozzle
for optimizing the conveyability of bulk goods in high pressure and low pressure conveying systems
Areas of application
The secondary air supply nozzle is employed for the optimization of conveying air in high pressure and low pressure conveyance systems. Because of the design and the variability of the secondary air supply nozzle it can be installed immediately after the pneumatic sender or at the beginning of the conveying pipeline. The insert nozzle can be bored variably according to each case of application and the dust/air mixture can be adapted to the most varied conveyance conditions.
Stainless steel models extend the areas of application for the secondary air supply nozzle.
Function mode
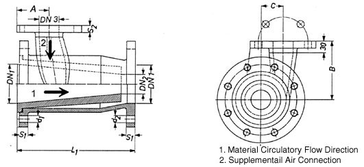
The secondary air supply nozzle makes the addition of carrier air in the conveyance pipeline possible.
Through variation of the nozzle bore the supplemental air is optimally guided into the conveyed material. Contingent on the tangential arrangement of the air inlet, the introduction of additional air is turbulence-free.
Material/design
Housing: Grey iron or stainless steel casting
Nozzle: Grey iron or stainless steel casting, steel
Painting: hammertone silver grey
Advantages
- Versatile in application
- Compact construction
- Wear resistant
- Air inlet practically turbulence free
Dimensioned drawing
