Zusatzdüse
zur Optimierung der Förderfähigkeit von Schüttgütern in
Hoch- und Niederdruckförderanlagen
Anwendungsgebiete
Die Zusatzdüse wird zur Optimierung der Förderluft in Hoch- und Niederdruckförderanlagen eingesetzt. Durch die Konstruktion und Variabilität der Zusatzdüse kann diese unmittelbar nach dem Sendegefäß oder zu Beginn der Förderleitung eingebaut werden. Der Düseneinsatz kann je nach Anwendungsfall variabel aufgebohrt und das Staub-/Luftgemisch den unterschiedlichsten Förderungen angepasst werden. Ausführungen in Edelstahl erweitern den Einsatzbereich der Zusatzdüse.
Funktionsweise
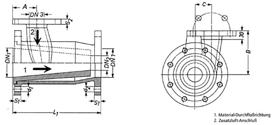
Die Zusatzdüse ermöglicht eine Zugabe von Trägerluft in die Förderleitung.
Durch Variation der Düseneinsatz-Bohrung wird die Zusatzluft optimal in das Fördergut eingebracht.
Bedingt durch die tangentiale Anordnung des Luftstutzen erfolgt die Zusatzlufteinbringung wirbelfrei.
Material/Ausführung
Gehäuse: Grau- bzw. Edelstahlguß
Düse: Grau- bzw. Edelstahlguß, Stahl
Lackierung: Hammerschlag silbergrau
Vorteile
- Vielseitig einsetzbar
- Kompakte Bauweise
- Verschleissarm
- Lufteintritt weitgehend wirbelfrei
