BS Vertriebsbüro GmbH

Silo-Anlagenbau - "Your specialist in silo components"

Pillauer Str. 2 · D-74336 Brackenheim
Fon ++49 (0)7135 12409 · Fax ++49 (0)7135 933599
e-mail: info@bs-vertrieb.de



Silo Safety Devices / level measurement / weighing and measuring

  • Multistream B-80


 

 

 

 

 

 

 

 

 

 

 

 

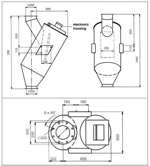
Multistream B-80 Solids Flow Meter

· Flow Rate Measurement according to the impact plate principle
· Compact design - no loss of headroom due to additional chutes
· Cost effective, simple integration - offset-free arrangement of inlet and outlet
· Dust-tight stainless steel-housing
· Weighing electronics can be integrated in the mechanical system

Multistream B-80Application:
Multistream-B Solids Flow Meters are designed as enclosed in-line measuring systems for continuous acquisition of flow rates and totalized amounts. With flow rates up to 100 t/h or max. 80 m3/h, these measuring systems can be used for
- flow rate and consumption measurement
- totalization
and
- batching
of pulverized to granular materials with a grain size of up to 30 mm.

Equipped with a controllable prefeeder, Multistream-B is also vavilable for use as a feed system, upon request. Its inlet/outlet arrangement without offset makes the measuring system specially suitable for economical integration into existing production plants.

Construction:
The standard equipment of Multistream-B Solids Flow Meters comprises:
- stainless steel housing
- impact plate
- load cell, and
- integrated electronic box

Designed as a complete module for loca operation, the weighing electronics can be easily accomodated in the box which is integrated in the measuring system. Of course, it is also possible to install the weighing electronics outside of the measuring system. e.g. in the control cabinet.

Functions:
Measuring systems operating according to the impact plate principle acquire the flow rate by means of a reactive force.

Guided by the inlet pipe, the material stream hits the impact plate mounted at a defined angle of inclination.
The load cell and the weighing electronics acquire the horizontal component of the reactive force.
Material buil-ups do not affect the emasuring result. Reproducible conditions of material feed, e.g. height
and speed of fall or angle of impact, provide for highest accuracies.

If higher accuracies are required, check measurements are necessary which allow the measuring system to be calibrated without interrupting material flow. Requiring a presilo to be weighed, this additional equipment is available upon request.

Dimensions:

Skizzen Multistream

  Multistream B-80
Flow rate min. 1 t/h - max. 80 m³/h (100 t/h)
Accuracy ± 2 % der nominal flow rate
Measuring range 1 : 5
Operating pressure - 25 mbar bis 50 mbar
Inlet/outlet flange dimensions (DIN) 200 mm / 200 mm
Weight 50 kg
Ambient temperature - 30° bis + 60° Celsius

Material temperature

max. 70° Celsius
Bulk density min. 0,4 t/m³
Grain size max. 10 mm (single grain up to 30 mm)
Flow properties pulverized to granular, non sticky